今天我們來講解(管道汽水混合器)工作原理以及及介紹圖片,本篇文章主要講解管道汽水混合器工作原理以及介紹圖片。
上海凱利科
閥門有限公司是〖 管道汽水混合器 〗的供應商,可提供管道汽水混合器結構圖,管道汽水混合器外形尺寸圖,管道汽水混合器型號,管道汽水混合器作用特點,管道汽水混合器工作原理
上海凱利科閥門有限公司是〖管道汽水混合器〗的供應商,可提供管道汽水混合器結構圖,管道汽水混合器外形尺寸圖,管道汽水混合器型號,管道汽水混合器作用特點,管道汽水混合器工作原理,管道汽水混合器批發廠家,管道汽水混合器執行標準,歡迎新老客戶來電,來函,我們將為您提供貼心的服務。以下就是關于管道汽水混合器說明書的詳細概述:
管道汽水混合器又名管道汽水混合器是一種裝設于管道上直接式加熱設備,具有熱效率高、噪聲低、安裝簡單、不占空間等特點,廣泛應用于采暖、空調及生產工藝水加熱系統。管道汽水混合器核心部件為拉法爾噴管,從喉口噴入的水流與從斜孔噴入的蒸汽充分混合后流出,生產熱水。蒸汽和水在高速流動中混合,無噪音、無振動。

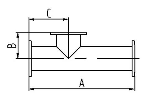
管道汽水混合器的外型尺寸

| QSH |
-4 |
-6 |
-8 |
-10 |
-12 |
-16 |
-20 |
-24 |
-32 |
-40 |
-48 |
額定流量(m3/h) |
1.2 |
2.5 |
4.5 |
7 |
10 |
16 |
25 |
35 |
60 |
105 |
165 |
設計壓力(MPa) |
1.6 |
1.6 |
1.6 |
1.6 |
1.6 |
1.6 |
1.6 |
1.6 |
1.6 |
1.6 |
1.6 |
凈重(kg) |
8 |
8 |
15 |
15 |
15 |
50 |
50 |
50 |
200 |
200 |
200 |
運行重量(kg) |
8.5 |
8.5 |
16 |
16 |
16 |
58 |
58 |
58 |
260 |
260 |
260 |
噪聲(dB) |
≤65 |
≤65 |
≤65 |
≤65 |
≤65 |
≤65 |
≤65 |
≤65 |
≤65 |
≤65 |
≤65 |
A(mm) |
240 |
240 |
360 |
360 |
360 |
660 |
660 |
660 |
1200 |
1200 |
1200 |
B(mm) |
105 |
105 |
130 |
130 |
130 |
170 |
170 |
170 |
300 |
300 |
300 |
C(mm) |
105 |
105 |
130 |
130 |
130 |
220 |
220 |
220 |
450 |
450 |
450 |
水側法蘭 |
DN40 |
DN40 |
DN65 |
DN65 |
DN65 |
DN125 |
DN125 |
DN125 |
DN250 |
DN250 |
DN250 |
汽側法蘭 |
DN40 |
DN40 |
DN65 |
DN65 |
DN65 |
DN125 |
DN125 |
DN125 |
DN250 |
DN250 |
DN250 |
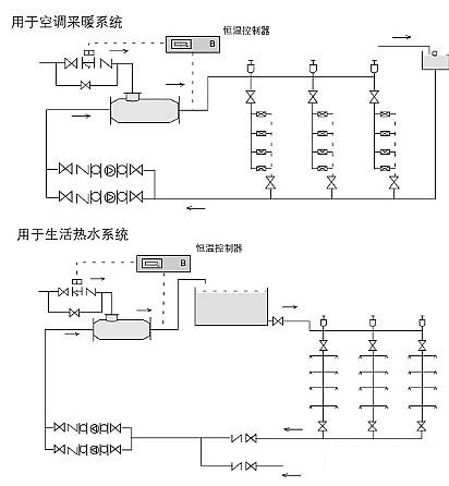
管道汽水混合器的選型參考
管道汽水混合器可用于空調采暖、衛生熱水的加熱系統,根據實際水流量的蒸汽耗量選用加熱器。
1、管道汽水混合器未通入蒸汽時,額定流量下,水頭損失為5mH2O,通入蒸汽后,水頭損失可按1mH2O考慮;
2、蒸汽壓力大于水壓0.05MPa以上;
3、管道汽水混合器用于生活熱水系統時應設置中間水箱,不能直接進入淋浴器,防止意外事故發生;
4、管道汽水混合器適宜安裝在水泵的吸水側。

管道汽水混合器的安裝與使用說明書
1.汽水混合加熱器可水平安裝,也可以豎直向上安裝,蒸汽入口應向上或水平;
2.管道汽水混合器前后裝設閥門、壓力表及溫度計,以便于觀察和調節加熱器工作狀況;
3.管道汽水混合器啟動時,應先通水,再通汽;停機時,先關斷汽源,再斷水。